НР2-40.29.3-3л
Характеристики изделия:
| Параметр | Значение |
|---|---|
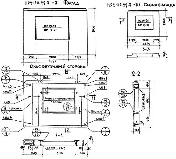
| Длина | 3995 мм |
| Ширина | 300 мм |
| Высота | 2900 мм |
| Масса | 3350 кг |
| Нормативный документ | Серия 1.132-1 |
Цена:
Рассчитать стоимостьНР2-40.29.3-3л Наружная стеновая панель рядовая по Серии 1.132-1.
| Параметр | Значение |
|---|---|
| Длина | 3995 мм |
| Ширина | 300 мм |
| Высота | 2900 мм |
| Масса | 3350 кг |
| Нормативный документ | Серия 1.132-1 |
НР2-40.29.3-3л Наружная стеновая панель рядовая по Серии 1.132-1.