НР1-42.29.3-б-1

Чертеж изделия:
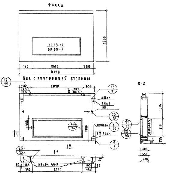
Чертеж НР1-42.29.3-б-1
Характеристики изделия:
ПараметрЗначение
Длина4190 мм
Ширина300 мм
Высота2900 мм
Масса4028 кг
Нормативный документСерия 1.132-1

НР1-42.29.3-б-1   Наружная стеновая панель рядовая по Серии 1.132-1.